Symbol: 
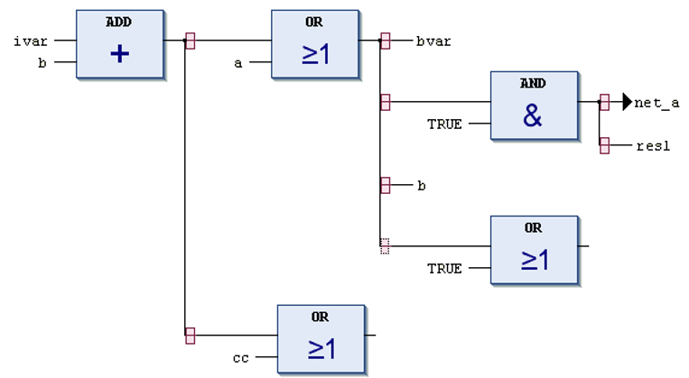
Das Element steht im KOP- und FUP-Editor zur Verfügung und stellt eine offene Leitungsverzweigung dar. Eine Leitungsverzweigung spaltet die Abarbeitungslinie ab der aktuellen Cursor-Position in 2 Subnetzwerke, die von oben nach unten nacheinander ausgeführt werden. Jedes Subnetzwerk können Sie weiter verzweigen, wodurch innerhalb eines Netzwerks Mehrfachverzweigungen entstehen.
Jedes Subnetzwerk erhält am Verzweigungspunkt ein Marker-Symbol (Rechteck), das Sie auswählen können, um weitere Befehle auszuführen.
Die Befehle „Kopieren“, „Ausschneiden“ und „Einfügen“ stehen für Subnetzwerke nicht zur Verfügung.

Um ein Subnetzwerk zu löschen, müssen Sie zuerst alle Elemente des Netzwerks und anschließend das Markersymbol des Subnetzwerks löschen.